






DC 인버터 로타리 압축기 (드라이브 포함)
■ 1HP급 DC 인버터 로타리 압축기 (드라이브 포함)
- 모델 : WHP04000
- 냉매 : R-410A / R134A
- 전원 : 1ph, AC220V, 50/60Hz
- 토출량 : 10.2CC
- 냉각용량
4,000 rpm : 3,412 w (E.T 7.2℃ / C.T 54.4℃)
- COP : 3.05
- 운전 주파수 범위 : (200~6,000rpm)
- 적용 온도범위
- 외형치수
■ 2~3HP급 DC 인버터 로타리 압축기 (드라이브 포함)
- 모델 : WHP09100
- 냉매 : R-410A / (R-513A:R-410A 대비 냉동능력 0.47)
- 전원 : 1ph, AC220V, 50/60Hz / 3ph, AC380V, 50/60Hz
- 토출량 : 22.6CC
- 냉각용량
60Hz : 6,977 w (E.T 7.2℃ / C.T 54.4℃)
90Hz : 11,095 w (E.T 7.2℃ / C.T 54.4℃)
- COP : 3.3
- 운전 주파수 범위 : 15~120Hz(900~7200rpm)
- 적용 온도범위
- 외형치수
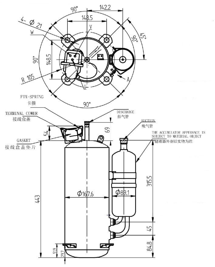
■ 5~7.5HP급 DC 인버터 로타리 압축기 (드라이브 포함)
- 모델 : WHP15600
- 냉매 : R410A / R32(냉동능력 : R410A 대비 0.94) / R134a (냉동능력 : R410A 대비 0.47)
- 전원 : 3ph, AC380V, 50/60Hz
- 토출량 : 41.8CC
- 냉각용량
60Hz : 12,789 w (E.T 7.2℃ / C.T 54.4℃)
90Hz : 21,249 w (E.T 7.2℃ / C.T 54.4℃)
- COP : 3.24
- 운전 주파수 범위 : 60~480Hz(900~7200rpm)
- 적용 온도범위
- 외형치수
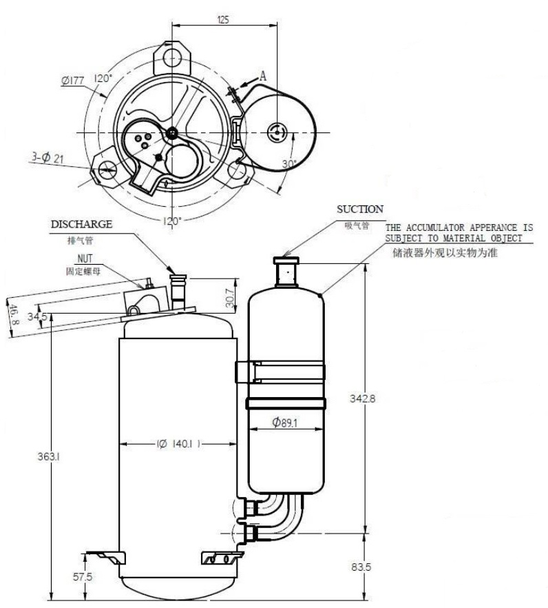
■ 10~15HP급 DC 인버터 로타리 압축기 (드라이브 포함)
- 모델 : WHP09100
- 냉매 : R-410A / R134a (냉동능력 : R410A 대비 0.47)
- 전원 : 3ph, AC380V, 50/60Hz
- 토출량 : 84.8CC
- 냉각용량
60Hz : 27,326 w (E.T 7.2℃ / C.T 54.4℃)
90Hz : 44,630 w (E.T 7.2℃ / C.T 54.4℃)
- COP : 3.01
- 운전 주파수 범위 : 45~330Hz(900~6600rpm)
- 적용온도범위
1) 3600rpm 기준
2) 6,000rpm 기준
- 외형치수



결제안내
※ 전자세금계산서 발행을 원하시면 콜드체인 싸이트에 신청후 02-2611-4640 으로 사업자 사본과 받으실 메일주소를 팩스 넣어주시든지 ideca@ideca.co.kr 로 사본 사진(전체가 나오게)과 메일주소 보내주시면 발행 가능합니다. 수령인 성함으로 주세요.
배송안내

교환반품안내
